
1:全新的冷凝式設計,高效節能
BCH 產品采用全新的冷凝式設計,高度先進的冷凝技術保證了能源利用的高效性,通過把燃氣燃燒后的煙氣中的汽化潛熱充分吸收,從而使得能量得以被有效利用,節省了能源,使效率更高達105%
2:螺旋式熱交換器設計,熱交換更徹底,有效避免水垢沉積
螺旋形的熱交換器能使得燃燒煙氣保持渦旋狀流動,并盡可能壓向熱交換器的壁管,加大了對流熱系數,從而使得整個熱交換器能夠獲得更高的換熱效率。
3:特有的商用級搪瓷特護內膽,為熱水器內膽提供全方位的保護。
4:先進的智能控制系統,液晶顯示,故障報警功能。智能全自動運行;易于觀看的顯示液晶面板;精準的溫度控制;內置故障診斷;運行歷史數據查詢;詳細的熱水實時狀況信息。
5:電子陽極保護,提供內膽更加持久的保護。
BCH產品采用先進的電子陽極保護,電子陽極棒可以通過給內膽更持久的保護,使其免受腐蝕,該電子陽極棒采用鈦金屬桿,通過控制電路使其能夠持續地檢測內膽保護所需要的合適的電流值,并根據具體的用水情況進行自動調節,提供更大程度的保護,同時電子陽極棒與傳統的鋁鎂陽極棒相比較,它不再需要保護更換。
6:全預混的旋風式燃燒方式,燃燒更加高效。
安裝在頂部的全新設計的全預混燃燒系統提供了放射狀的火焰燃燒,把火焰及煙氣自上而下推向換熱器,得到更佳的燃燒效率。
7:熱表面點火,使得點火更加可靠安全。
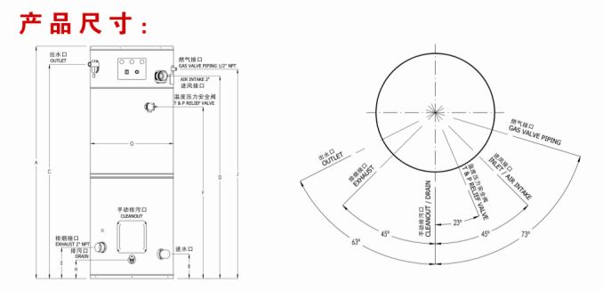
8:多種進風、排煙方式可選,PVC/CPVC/ABS管材,安裝方便,適應性廣。
9:體積小,占地面積小,可就近安裝
10:超厚聚氨酯發泡,保溫性能好,節能。
11:低NOx排放,更加環保。

技術服務中心 客服專線
服務熱線:021-51029115
聯系地址:上海市澳門路519號
